Vision Ultra Rodent Breeding Rack 53″H x 79″L

Videos

SKU: Short-10 Category:

Starting at $1,675.00

The Vision Ultra Rodent Rack meets breeders’ most demanding needs – with its highly durable materials, custom shelf spacing, attachable accessories, and efficient feeding and watering.

Ready to create the perfect setup? Start designing your Vision Ultra below!

Special Offer!

Get 20% off Vision Ultra accessories when you purchase them together with this Vision Ultra Rack!

Enhance your rack setup with essentials like Watering Solutions, Water Container Pedestals, Cantilever Holders, Food Hoppers, Food Tray Dividers, Front and Back Stops, or a Supply Shelf.

Make it a complete package in one easy order!

 

Note:

*DISCOUNTED SHIPPING on this Vision Ultra Rack! Limited time offer. We’ll notify you of any changes before processing your order.

Choose a full Rack and Tubs Package or build a Hybrid Rack.

Select from one of our complete V-18, V-35S, or V-35 rack systems. Each option below includes all of the tubs and levels possible for this height and length combination of rack.

Or choose the "build your own" option to choose how many levels you want and/or mix and match your tub size choices to create a hybrid rack.

Casters or adjustable feet are not included with the base price above. Please select one of the above options.
This rack comes with (4) 53" tall uprights. You have the option to upgrade to 70" or 90" tall uprights for an additional charge.
Please choose a tub color. Gray tubs are standard. Clear tubs may be chosen at additional cost.

Customize your rack build by choosing the appropriate mix of levels and tubs to suit your needs. Select the number of levels that best fit your requirements. Please note:

  • Each level consists of (1) Food Tray, (2) End Plates, (2) Aluminum Support Tubes, and necessary hardware for assembly.
  • A minimum of 3 levels are required to maintain the structural integrity of the rack.
  • V-35 and V-18/V-35-S tubs are not interchangeable on the same level because V-35 tubs are taller than V-18 and V-35-S tubs.

Click here for a chart of possible level combinations

Mix and match colors and sizes.

V-18 and V-35-S tubs can be intermixed on the same levels because they are the same height. Notice two V-18 tubs consume about the same amount of space as one V-35-S tub.

Therefore it is recommended to order a 2:1 ratio of V-18:V-35-S tubs to fill your rack levels.

V-35 and V-18/V-35S are not interchangeable on the same level because V-35 tubs are taller than V-18/V-35-S tubs.

Maximum Tub Capacity per Level by Tub Type
Level Length (in) V35 Tubs V35-S Tubs V18 Tubs
78.65" 5 5 10

Maximum Quantity of 5 possible per level. Select grey, clear or both for your tub color.

V-35 and V35-S tubs cannot be mixed on the same level due to the height of the tubs.

V-35 tubs are packed in quantities of 12 per box. A shipping fee of $40 per box is also included. We recommend ordering V-35 tubs in multiples of 12 to maximize your value per tub.

Maximum Quantity of 5 possible per level. Select grey, clear or both for your tub color.

V-35 and V35-S tubs cannot be mixed on the same level due to the height of the tubs.

V-35-S tubs are packed in quantities of 16 per box. A shipping fee of $40 per box is also included. We recommend ordering V-35-S tubs in multiples of 16 to maximize your value per tub.

Maximum Quantity of 10 possible per level. Select grey, clear or both for your tub color.

V-35 and V18 tubs cannot be mixed on the same level due to the height of the tubs.

V-18 tubs are packed in quantities of 40 per box. A shipping fee of $40 per box is also included. We recommend ordering V-18 tubs in multiples of 40 to maximize your value per tub.

Save 20% on Accessories

Complete your rack and save! Get a 20% discount when you purchase accessories such as Water Containers, Pedestal Holders, Cantilever Holders, Food Hoppers, Food Tray Dividers, Front or Back Stops, or a Supply Shelf.

This offer is only available through this product page and won't be applied if purchased separately.

Discounted pricing is automatically reflected when added to your cart.

Provide fresh clean water for your rodents with a Rodent Watering system.

This complete watering system package includes enough tubing to connect one water valve to each tub, enough tee fittings for each level connection and water valve connection, one stainless steel water valve per tub, one shut off valve, one in-line screen filter, and one 5-gallon rodent watering tank with one quick connect bulkhead fitting pre-installed.

Additionally, add a second water container that comes with one quick connect bulkhead fitting pre-installed, one shut off valve, one in-line screen filter and enough tubing roughly the height of your rack and enough tees to connect each level to the nozzles, tubing, and tees that come with the one-container kit.

This package is custom configured for your selected rack.

Learn more about the Rodent Water System here.

Complete your watering setup with our pedestal or cantilever shelf, ideal for storing water containers. For individual water bottles, our specially designed holders for the Vision Ultra Rodent Breeding Rack are available.
Our food hopper and food tray divider help you easily manage food and reduce food waste.
Front and back stops easily clip to the food trays. The back stop is designed to stay firmly in place while the front stop is designed to easily snap up and down to allow fast and easy securing or removal of your tubs.
Order an extra food tray to be used as a supply tray on the bottom of your rack to store your extra tubs and other supplies.
Complete your watering system with a place for your water containers. Or if using individual water bottles, we offer water bottle holders specifically designed for the Vision Ultra Rodent Breeding Rack.
Our food hopper and food divider helps you easily manage food and helps reduce food waste.
Front and back stops easily clip to the food trays. The back stop is designed to stay firmly in place while the front stop is designed to easily snap up and down to allow fast and easy securing or removal of your tubs.
Order an extra food tray to be used as a supply tray on the bottom of your rack to store your extra tubs and other supplies.
Complete your watering system with a place for your water containers. Or if using individual water bottles, we offer water bottle holders specifically designed for the Vision Ultra Rodent Breeding Rack.
Our food hopper and food divider helps you easily manage food and helps reduce food waste.
Front and back stops easily clip to the food trays. The back stop is designed to stay firmly in place while the front stop is designed to easily snap up and down to allow fast and easy securing or removal of your tubs.
Order an extra food tray to be used as a supply tray on the bottom of your rack to store your extra tubs and other supplies.

Provide fresh clean water for your rodents with a Rodent Watering system.

Learn about the Rodent Water System and order everything you need for your build here.

Water Container Pedestal
Water Container Outer Cantilever
Water Container Inner Cantilever
Water Bottle Holder

Our food hopper and food tray divider helps you easily manage food and helps reduce food waste.

Food Hopper
Food Tray Divider

Front and back stops easily clip to the food trays. The back stop is designed to stay firmly in place while the front stop is designed to easily snap up and down to allow fast and easy securing or removal of your tubs.

Front Stop
Back Stop

Order an extra food tray to be used as a supply tray on the bottom of your rack to store your extra tubs and other supplies.

Supply Shelf
Product total
Options total
Grand total

Height 52.14 in
Length 78.65 in
Depth 20.38 in
Compatible Tubs

V-18, V-35S, V-35

Tub Count

25, 35, 70

Tub Volume

7 Quarts, 15 Quarts, 21 Quarts

Levels

3, 4, 5, 6, 7

Material

Aluminum, Plastic – ABS, Steel – Stainless

Rack Height

53"

Rack Length

79"

Package Comparison

Build Your Own (Starting at $1,085)

Customize your build by selecting your levels and tubs!

5 Level Rack + 25 V-35 Tubs

Includes the Vision Ultra Rodent Rack and (25) V-35 Tubs.

7 Level Rack + 35 V-35-S Tubs

Includes the Vision Ultra Rodent Rack and (35) V-35-S Tubs.

7 Level Rack + 70 V-18 Tubs

Includes the Vision Ultra Rodent Rack and (70) V-18 Tubs.
Rack Levels5-7577
V-35 Tubs (5" height)0-2525
V-35-S Tubs (3.5" Height)0-3535
V-18 Tubs (3.5" Height)0-7070

Build Your Own (Starting at $1,085)

5 Level Rack + 25 V-35 Tubs

7 Level Rack + 35 V-35-S Tubs

7 Level Rack + 70 V-18 Tubs

Description

Vision ULTRA: The Deep Dive

The Vision Ultra is the newest rodent breeding rack on the market, optimized for small-scale and professional breeders alike.

Ultra-Durable: Anodized aluminum uprights, stainless steel food trays, aluminum tub supports, and our Vision Tubs.
Ultra-Modular: Customize the number of levels, tub sizes, tub placement, water systems, storage trays, and more.
Ultra-Efficient: Drop-trough food trays and easy-to-use watering methods make servicing your rack quick and easy.
Ultra-Secure: Patent pending diamond hole pattern allows food and water access and protects from injury and escape.
Ultra-Affordable: Components are lightweight, compact for shipping, and avoid expensive welding costs.

 

The Rodent Rack

If you’re a breeder, you’ve probably heard of the Vision Tub. Made with high-impact polypropylene, smooth sides, and rounded corners, rodents won’t damage them, and they’ll withstand years of use.

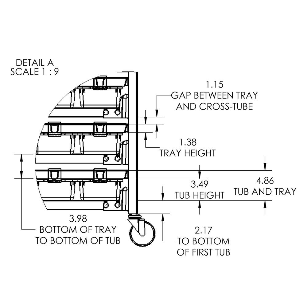
In the Short 10 configuration, you have the following shelf and tub options:

V-18 Tubs (3.5″H x 7.375″W): 7 shelves, 10 tubs per level

V-35s Tubs (3.5″H x 15″W): 7 shelves, 5 tubs per level

V-35 Tubs (5.375″H x 15″W): 5 shelves, 5 tubs per level

Make it a Hybrid Rack: See “Package” above and select “Build Your Own”

What is a Hybrid Rack?

Vision Ultra is not a “one-size-fits-all” type of system. When building your rack, you may select a Full Package with 1 type of Vision Tub, or go the “Hybrid route”, mixing and matching tub heights and widths. This is the best option to breed different sized rodents within the same rack.

The One-Piece Stainless Steel Shelf

Each shelf is a single piece of stainless steel, much stronger than the often-used welded wire shelves. Unlike welded wire, our stainless steel shelves don’t rust or deteriorate over time. We also developed a unique hole pattern punched into the shelf, optimizing strength, open airflow, and allowing easy food access for your rodents.

The unique hole pattern also accommodates a watering system and protects it from chewing.

Vision Water Systems

Gravity-Fed System

We offer a gravity-fed watering system with a jug on top of the rack, connected tubing, and nozzles that protrude into the tubs.

Water Bottle Nozzle System

We also have individual bottle nozzle stoppers and clips to utilize your old bottles instead of tossing them in the garbage!

Water Bottle Nozzle Stopper Size

      • 22mm Stopper: Compatible with most standard water and soda bottles ranging from 12oz to 1 liter.
      • 30mm Stopper: Compatible with most Gatorade and Powerade bottles, as well as juice and 12oz to 1 liter plastic milk bottles.
      • 34mm Stopper: Compatible with larger glass milk bottles and most plastic and glass Snapple bottles.

This product requires freight shipping due to its size. For a limited time, receive a discount off your shipping costs. A custom quote will be provided once your order for the Vision Ultra Rack is placed. Exceptions may apply.